
兼容安华高HFBR-1415TZ(乐天堂fun88FTBR-1415TZ)
产品先容
FTBR-1415xx/2412xx系列光纤收发器件,配合850nm多模光纤使用,为工业、发电、医疗、交通和游戏应用等领域提供高性能低本钱的光纤通讯链路,FTBR-1415xx在60mA电流驱动下,传输距离最小为3000米。
FTBR-1415xx/2412xx与AVAGO的HFBR-1415/2412系列产品完全兼容,支持工业标准的ST光纤接口,提供带螺纹可选。FTBR-1415xx/2412xx适配多种类光纤芯径的多模光纤,包括50/125μm,62.5/125μm,100/140μm和200μm.
FTBR-1415xx为发射器,由一颗峰值波长为850nm的高功率LED芯片封装而成,配合62.5/125μm芯径的850nm多模光纤在60mA电流驱动下输出光功率典范值为-13.5dBm。FTBR-2412xx为吸收器,由一颗集成光电二极管的高增益跨阻放大器组成,输出级为开漏MOSFET结构,支持最大输出电压为7V。为了提高吸收器输出脉宽的稳固性,吸收芯片设计了自动脉宽校准电路,脉宽失真在±20ns以内。
产品特点
?数据传输速率:DC-5MBd
?传输距离最小值:3000米
?输出波形脉宽稳固
?知足工业级温度规模:-40℃至 85℃
?切合 RoHS 标准
?适配多种芯径光纤
?ST讨论带螺纹可选
产品应用
?工厂自动化
?局域网络
?音视频应用/游戏应用
?工业网络和现场总线
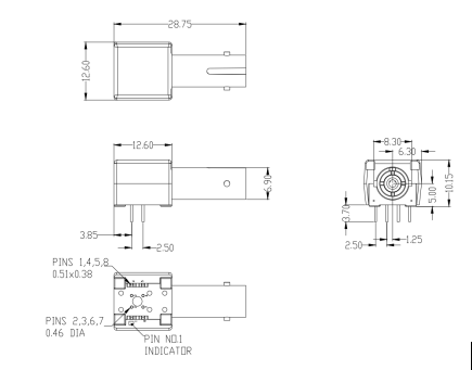
ST接口形状尺寸图(FTBR-1415Z/2412Z)

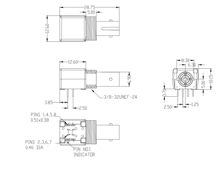
带螺纹的ST接口形状尺寸图(FTBR-1415TZ/2412TZ)

产品型号列表
|
产品型号 |
说明 |
|
FTBR-1415Z |
发射器件,ST接口 |
|
FTBR-2412Z |
吸收器件,ST接口 |
|
FTBR-1415TZ |
发射器件,带螺纹的ST接口 |
|
FTBR-2412TZ |
吸收器件,带螺纹的ST接口 |
本产品为FTBR系列,仅展示部分参数,若有需要,请联系乐天堂fun88。
Important Notice
Performance figures, data and any illustrative material provided in this data sheet are typical and must be specifically confirmed in writing by F-tone Networks before they become applicable to any particular order or contract. In accordance with the F-tone Networks policy of continuous improvement specifications may change without notice.
The publication of information in this data sheet does not imply freedom from patent or other protective rights of F-tone Networks or others. Further details are available from any F-tone Networks sales representative.