
兼容安华高AFBR-2529Z(乐天堂fun88FTBR-2529Z)
产品概述
FTBR-1629Z/2529Z 系列光纤收发器件, 配合 650nm 塑料光纤 使用, 为工业、发电、医疗、交通和游戏应用等领域提供高 性能低本钱的光纤通讯链路。FTBR-1629Z/2529Z 配对使用, 传输 距离最小为 50 米。
FTBR-1629Z/2529Z 与 AVAGO 的 AFBR-1629Z/2529Z 系列产品完 全兼容, 支持工业标准的塑料光纤接口, 提供水平结构。 FTBR-1629Z/2529Z 适配直径 1mm 的塑料光纤和直径 200μm 的 HCS光纤.
FTBR-1629Z 为发射器, 由一颗峰值波长为 650nm 的高功率 LED 芯片和其驱动芯片封装而成, 配合 1mm 芯径的塑料光纤在 5V 电源电压下输出光功率典范值为-3dBm。FTBR-2529Z 为吸收器, 由 一颗集成光电二极管的高增益跨阻放大器组成, 输出级为轨 到轨结构, 最终输出 TTL 电平。为了提高吸收器输出脉宽的 稳固性, 吸收芯片设计了自动脉宽校准电路, 脉宽失真在± 5ns 以内。
产品特点
● 数据传输速率: DC-50MBd
● 典范传输距离: 50米
● 输出波形脉宽稳固
● 切合 RoHS 标准
● 知足工业级温度规模: -40℃至 85℃
应用
● 工厂自动化
● 工业网络和现场总线
● 音视频应用/游戏应用
● 局域网络
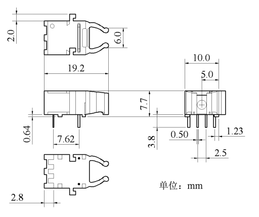
形状尺寸图(FTBR-1629Z/2529Z)

产品型号列表
|
型号 |
光纤类型 |
波长(nm) |
类型 |
|
FTBR-1629Z |
MM |
650 |
发射器件 |
|
FTBR-2529Z |
MM |
650 |
吸收器件 |
本产品为FTBR系列,仅展示部分参数,若有需要,请联系乐天堂fun88。
Important Notice
Performance figures, data and any illustrative material provided in this data sheet are typical and must be specifically confirmed in writing by F-tone Networks before they become applicable to any particular order or contract. In accordance with the F-tone Networks policy of continuous improvement specifications may change without notice.
The publication of information in this data sheet does not imply freedom from patent or other protective rights of F-tone Networks or others. Further details are available from any F-tone Networks sales representative.