
兼容安华高AFBR-2521CZ(乐天堂fun88FTBR-2521CZ)
产品先容
FTBR-1521CZ/2521CZ系列光纤收发器件,可配合650nm塑料光纤使用,为工业、发电、医疗、交通和游戏应用等领域提供高性能低本钱的光纤通讯链路,事情温度抵达了95℃。
FTBR-1521CZ/2521CZ与AVAGO的AFBR-1521CZ/2521CZ系列产品完全兼容,支持工业标准的塑料光纤接口,提供水平结构。FTBR-1521CZ/2521CZ能够适配直径1mm的塑料光纤和直径200μm的PCS光纤,搭配1mm直径的塑料光纤,典范传输距离可以抵达110米。
FTBR-1521CZ为发射器,由一颗峰值波长为650nm的高功率LED芯片封装而成,配合1mm芯径的塑料光纤在30mA电流驱动下输出光功率典范值为-2dBm。FTBR-2521CZ为吸收器,由一颗集成光电二极管的高增益跨阻放大器组成,输出级为轨到轨结构,最终输出TTL电平。为了提高吸收器输出脉宽的稳固性,吸收芯片设计了自动脉宽校准电路,脉宽失真在±30ns以内。
产品特点
● 数据传输速率:DC-5MBd
● 电源电压支持3.3V和5V
● 典范传输距离:110米(适配1mm塑料光纤)
● 输出波形脉宽稳固
● 事情温度规模:-40℃至 95℃
● 切合 RoHS 标准
产品应用
● 工厂自动化
● 局域网络
● 音视频应用/游戏应用
● 工业网络和现场总线
● 高压隔离
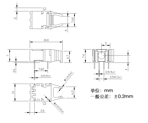
形状尺寸图(FTBR-1521CZ/2521CZ)
产品型号列表
|
产品型号 |
说明 |
|
FTBR-1521CZ |
发射器件 |
|
FTBR-2521CZ |
吸收器件 |
注:本产品有天下产化型号可选
本产品为FTBR系列,仅展示部分参数,若有需要,请联系乐天堂fun88。
Important Notice
Performance figures, data and any illustrative material provided in this data sheet are typical and must be specifically confirmed in writing by F-tone Networks before they become applicable to any particular order or contract. In accordance with the F-tone Networks policy of continuous improvement specifications may change without notice.
The publication of information in this data sheet does not imply freedom from patent or other protective rights of F-tone Networks or others. Further details are available from any F-tone Networks sales representative.