
产品先容
FTBR-1414xx/2418xx系列光纤收发器件,配合850nm多模光纤使用,为工业、发电、医疗、交通和游戏应用等领域提供高性能低本钱的光纤通讯链路,FTBR-1414xx在60mA电流驱动下,传输距离最小为2000米。
FTBR-1414xx/2418xx与AVAGO的HFBR-1414/AFBR-2418系列产品完全兼容,支持工业标准的ST光纤接口,提供带螺纹可选。FTBR-1414xx/2418xx适配多种类光纤芯径的多模光纤,包括50/125μm,62.5/125μm,100/140μm和200μm.
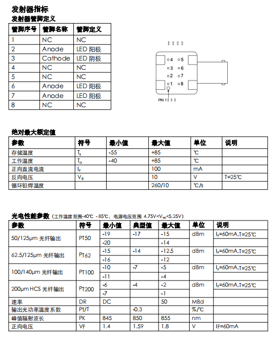
FTBR-1414xx为发射器,由一颗峰值波长为850nm的高功率LED芯片封装而成,配合62.5/125μm芯径的850nm多模光纤在60mA电流驱动下输出光功率典范值为-14dBm。
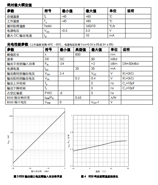
FTBR-2418xx由一颗集成光电二极管的高增益跨阻放大器组成,输出为CMOS/TTL逻辑输出,提供功率监测功效(RSSI)。为了提高吸收器输出脉宽的稳固性,吸收芯片设计了自动脉宽校准电路,脉宽失真在±5ns以内。
产品特点
● 数据传输速率:DC-50MBd
● 传输距离最小值:2000米
● 输出波形脉宽稳固
● 提供RSSI监测
● 知足工业级温度规模:-40℃至 85℃
● 切合 RoHS 标准
● 电源电压支持3.3V和5V
产品应用
● 工厂自动化
● 局域网络
● 音视频应用/游戏应用
● 工业网络和现场总线





注:本产品有天下产化型号可选
Important Notice
Performance figures, data and any illustrative material provided in this data sheet are typical and must be specifically confirmed in writing by F-tone Networks before they become applicable to any particular order or contract. In accordance with the F-tone Networks policy of continuous improvement specifications may change without notice.
The publication of information in this data sheet does not imply freedom from patent or other protective rights of F-tone Networks or others. Further details are available from any F-tone Networks sales representative.