
产品先容
FTBR-2417TZ系列光纤收发器件,配合FTBR-1414xx和850nm多模光纤使用,为工业、发电、医疗、交通和游戏应用等领域提供高性能低本钱的光纤通讯链路,FTBR-1414xx在60mA电流驱动下,传输距离最小为3000米。
FTBR-2417TZ支持工业标准的ST光纤接口,提供带螺纹可选。FTBR-2417TZ适配多种类光纤芯径的多模光纤,包括50/125μm,62.5/125μm,100/140μm和200μm.
FTBR-2417TZ由一颗集成光电二极管的高增益跨阻放大器组成,输出为CMOS/TTL逻辑输出。为了提高吸收器输出脉宽的稳固性,吸收芯片设计了自动脉宽校准电路,脉宽失真在±20ns以内。
产品特点
● 数据传输速率:DC-10MBd
● 传输距离最小值:3000米
● 输出波形脉宽稳固
● 电源电流仅5mA
● 知足工业级温度规模:-40℃至 85℃
● 切合 RoHS 标准
● 电源电压支持3.3V和5V
● ST讨论带螺纹可选
产品应用
● 工厂自动化
● 局域网络
● 音视频应用/游戏应用
● 工业网络和现场总线
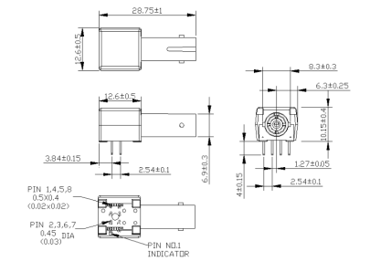
ST接口形状尺寸图(FTBR-2417Z)

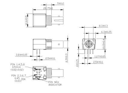
带螺纹的ST接口形状尺寸图(FTBR-2417TZ)

产品型号列表
|
产品型号 |
说明 |
|
FTBR-2417Z |
吸收器件,ST接口 |
|
FTBR-2417TZ |
吸收器件,带螺纹的ST接口 |
本产品为FTBR系列,仅展示部分参数,若有需要,请联系乐天堂fun88。
Important Notice
Performance figures, data and any illustrative material provided in this data sheet are typical and must be specifically confirmed in writing by F-tone Networks before they become applicable to any particular order or contract. In accordance with the F-tone Networks policy of continuous improvement specifications may change without notice.
The publication of information in this data sheet does not imply freedom from patent or other protective rights of F-tone Networks or others. Further details are available from any F-tone Networks sales representative.